<img style="cursor: pointer" border="0" alt="" width="850" height="455" onclick=window.open('/uploads/allimg/150724/1_150724114457_1.jpg')" src="/uploads/allimg/200630/2041323Q2-0.jpg" />
JLM电磁隔膜计量泵概述:
JLM电磁结构新设计,坚固耐用冲程速度范围增宽(1-100/分钟),配合标准的冲程长度范围(30-100%),使得药剂投加更确。NEMA4X/IP65防护外壳有开关按钮可选透明可锁式外盖泵工作时,冲程指示灯闪烁取消金属密封圈,采用适用于所有尺寸和结构的通用零件,连接软管设计更简化而牢固外部设备接口为工业水割IP-68电气接头可选低液位浮子开关,连接到新增低液位挺头(3芯)和低液位显示灯,液位过低时报警显示可通过外部控制接头(4芯)接受脉冲信号进行外部控制。
JLM电磁隔膜计量泵特点:
1.电磁驱动设计,结构简单。
2.具有手动调节冲程改变流量和调节冲程频率实现流量调节。
3.按腐蚀性能要求配置对应材质泵头及过流部件。
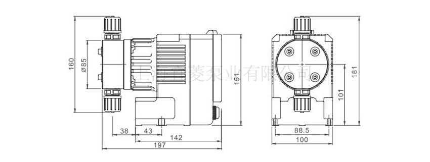
4.安装方便、配带过滤底阀、注射阀及进出口软管。
应用:
JLM系列产品是由电磁驱动的隔膜式计量泵,适用于低压力场合的流体精确计量,有多种材质泵头可选,膜片统一采用多层复合PTFE材质。因其具有很高的计量精度和稳定性能及极高的使用工求,而广泛应用于污水处理,食品剂添加,各种特殊介质的输送。
JLM电磁隔膜计量泵材质:
泵头 | 304 | 316 | PVC | PVDF |
膜片 | PTFE | |||
阀门 | 304 | 316 | PVC | PTEF |
阀球 | 316 | 陶瓷 | ||
密封 | PVC | PTEF |
型号 | 流量(lph) | 压力(Bar) | 频率((min-1) | 进出口径(mm) |
JLM0110 | 1 | 10 | 0-120 | 6 |
JLM0408 | 3.8 | 7.6 | 0-180 | 6 |
JLM0505 | 5 | 5 | 0-180 | 6 |
JLM0804 | 7.6 | 3.5 | 0-180 | 6 |
JLM1002 | 10 | 2 | 0-180 | 6 |
JLM1202 | 12 | 1.5 | 0-180 | 6 |
JLM1501 | 15 | 1 | 0-180 | 6 |


